SAVANT赛万特偏心式反刮刀


偏心反向沉孔刀

点击观看视频:为不影响他人,观看视频前您可先关闭音乐
ECCENTRIC REVERSE
SCRAPER
偏心式反刮刀
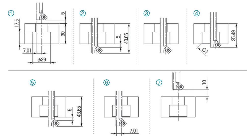
结构简图 Structure Drawing |
|
刀具特点 | 刀具分类 |
减少二次加工,增加微调结构,可加工更精准的沉孔。 不用正反转,减少损坏几率。 特殊设计本体刚性佳。 减少手工装刀盘的繁琐流程,一次进口加工成型。 接受所有规格定制,针对沉孔远大于底孔情况,我们会选择进口合金钢或者加塞硬质合金或者使用整体钨基合金作为本体。 | SAVANT 偏心式反刮刀要求机床有定向停止功能,否则不能使用。
|
加工参数PROCESSINGPARAMETERS | |||||
|---|---|---|---|---|---|
加工状况 | 刀片材种 | 线速 | 每转进给fz(mm/rev) | ||
|
|
| Vc(m/min) | CCMT060204 | CCMT09T308 |
碳钢(合金钢、不锈钢) | 断续切削 | NC40 NC2033 | 50(40~60) | 0.02(0.01~0.03) | 0.03(0.02~0.04) |
铸铁 | 一般切削 | NC2032 NC10 | 60(40~80) | 0.03(0.01~0.05) | 0.04(0.03~0.06) |
铝合金 | 一般切削 | NC9036 K10 | 80(60~100) | 0.04(0.02~0.06) | 0.06(0.04~0.08) |
偏心反刮刀
Eccentric reverse scraper
TIPS | |
1. 刀具不用正反转,方便操作 2. 可定制多种角度,(如:45°、60°、30°等) 3. 特殊设计,刀体刚性优越 |
|
| |
加工步骤 |
|
偏心反向倒角刀
Eccentric reverse chamfer knife
TIPS | |
1. 刀具不用正反转,方便操作 2. 可定制多种角度,(如:45°、60°、30°等) 3. 特殊设计,刀体刚性优越 |
|
| |
加工步骤 |
|
SLEEVE TYPE REVERSE
SCRAPER
套式反刮刀
刀具特点 |
适合多种机床:加工中心、镗铣床、摇臂钻、台钻等 刀盘装嵌方便,无需上螺丝固定,节省时间 刀片可设计成舍弃式 |
|
|
结构简图 Structure Drawing |
|
加工步骤 | |||||
|
|
|
|
|
|
先将刀杆 Z 轴伸入 | 然后将刀盘轻松套入 | 旋转刀盘卡主刀杆 | 正转向上加工 | 退回取下刀盘 | 刀杆退出,完成加工 |
DISASSEMBLY TYPE
REVERSE SCRAPER
舍弃式拆卸式反刮刀
刀具介绍 | |
安装刀片式,带螺钉结构反刮刀: 优点:安装紧固,刚性足,刀片可更换、成本低。 缺点:换刀耗时比较多。 | |
|
|
|
|
案例 SEVERAL CASES
钨基合金反刮刀(差速器壳体用) | |
| |
反刮刀 BT50 | |
| |
鹅颈刀(差速器壳体用) | |
|
|
| |
自动弹出式反刮刀
Automatic pop-up back scraper
|
|
加工原理 | |
弹出式反刮刀的加工原理类似于圆珠笔的弹出机制,主要通过碰撞刀具根部台阶面,触发内部的弹簧或弹性结构实现刀头的自动弹出和收回。 | |
具体原理 | 适合机床 |
○刀头弹出 当刀具根部的台阶面接触工件表面时,内部的弹性 结构(如弹簧)受到压力,刀头自动弹出,开始进行沉孔加工。 ○刀头收回 加工好沉孔后再利用刀具根部台阶面接触工件表 面,刀头自动收回,避免损坏工件或刀具。 | 数控车床(CNC Lathe) 适用于加工回转体内孔沉孔。 加工中心(Machining Center) 配合多轴联动功能,处理复杂箱体类零件的内腔加工。 专用镗床(Boring Machine) 针对大批量高精度孔加工(如航空航天部件)。 |
技术参数示例 | |
加工直径范围 Machining diameter range | D22 - D48 |
线速 Vc(m/min)碳钢 | 20-30 |
每转进给 fz(mm/rev) | 0.05-0.1 |
刀具优势 |
高效加工 自动弹出和收回功能减少了手动调整的时间,提高了加工效率。 增强刀具的刚性 刀杆部分贴着孔壁加工,确保刀具整体的刚性,可加工超过2倍径比例的沉孔。 反向刮削 刀片从内孔底部向外切削,抵消径向力,减少工件变形) 延长刀具寿命 刀头部分的刀夹和刀片可更换,延长了使用寿命。操作简便无需复杂的设置,操作简单,适合批量生产。 |
应用场景 |
|
复杂曲面加工
如模具、叶片、涡轮等复杂形状工件的沉孔加工。 |
|
精密零件加工
如医疗器械、电子元件等对沉 孔质量要求高的工件。 |
|
批量生产
如汽车零部件、五金件等需 要高效沉孔加工的工件。 |
|
加工步骤 |
|
这里为您展示我公司提供的去毛刺工具,浮动铰刀柄,滚压头,金刚石滚压刀的详细信息,同时展示我司代理的产品:TOOLFLO、EMUGE、HEULE等品牌
去毛刺工具包含:整体式去毛刺倒角刀、舍弃式去毛刺倒角刀、HEULE去毛刺倒角刀、HSD去毛刺倒角刀、AKS去毛刺倒角刀柄。通过以上工具,我们能给客户提供完善的机械加工去毛刺解决方案。
浮动铰刀柄:我们通常又叫浮动铰刀刀柄或者铰刀浮动刀柄,用来弥补机床的重新定位误差,提高铰刀加工效果,增加铰刀寿命。
滚压刀:又常称为滚压头,有内孔滚压头,外圆滚压头,端面滚压头,以及其他非标滚压头。
金刚石滚压刀:从滚压头系统内分出来的独立的一支,有可以用来加工外圆的金刚石滚压刀,用来加工内孔的金刚石滚压刀,同时金刚石滚压刀还可以端面,通过机床程序控制,可以和车刀一样实现各种形状的滚压,一把金刚石滚压刀可以涵盖大部分的加工面。综合使用成本低。
English
























